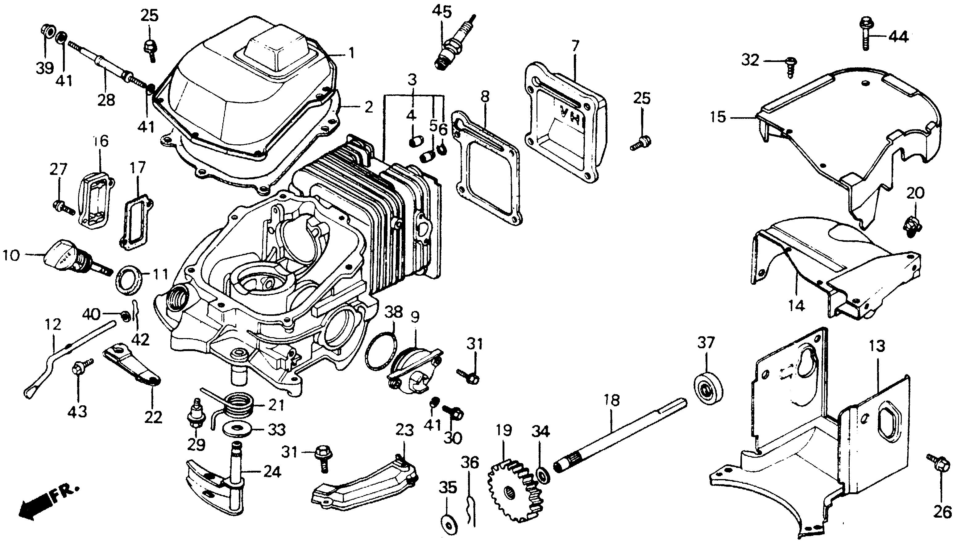
Lawn Mowers HRS HRS21 HRS21 SVA VA2-1000001-6000000 CYLINDER - Fremont Ace Hardware and Garden Center

Ref No
Part Number
Description
Serial Range
Qty
Price

Ref No
1
Part Number
11310-ZE5-000
Description
COVER, CRANKCASE (NOT AVAILABLE)
Serial Range
1000001 - 9999999

Ref No
2
Part Number
11381-ZE5-306
Description
GASKET, CRANKCASE COVER
Serial Range
1000001 - 9999999

Ref No
2
Part Number
11381-ZE5-800
Description
GASKET, CRANKCASE COVER
Serial Range
1000001 - 9999999

Ref No
3
Part Number
121A0-ZE5-600
Description
CYLINDER
Serial Range
1000001 - 1012207

Ref No
3
Part Number
121A0-ZE5-601
Description
CYLINDER
Serial Range
1012208 - 9999999

Ref No
4
Part Number
12204-ZE1-305
Description
GUIDE, VALVE (OVER SIZE)
Serial Range
1012208 - 9999999

Ref No
4
Part Number
12204-ZE1-306
Description
GUIDE, VALVE (OVER SIZE)
Serial Range
1000001 - 9999999

Ref No
5
Part Number
12205-ZE1-315
Description
GUIDE, EX. VALVE (OVER SIZE)
Serial Range
1000001 - 1012207

Ref No
5
Part Number
12205-ZE5-305
Description
GUIDE, EX. VALVE (OVER SIZE)
Serial Range
1012208 - 9999999

Ref No
6
Part Number
12216-ZE5-300
Description
CLIP, VALVE GUIDE
Serial Range
1012208 - 9999999
Qty
Price
$1.68

Ref No
7
Part Number
12311-ZE5-000
Description
COVER, HEAD
Serial Range
1012208 - 9999999
Qty
Price
$16.88

Ref No
8
Part Number
12391-ZE5-800
Description
GASKET, CYLINDER HEAD COVER
Serial Range
1000001 - 9999999

Ref No
9
Part Number
14121-ZE5-000
Description
COVER, CAMSHAFT
Serial Range
1000001 - 9999999

Ref No
10
Part Number
15620-ZE6-010
Description
CAP, OIL FILLER (NOT AVAILABLE)
Serial Range
1000001 - 9999999

Ref No
11
Part Number
15625-ZE6-000
Description
GASKET, OIL FILLER CAP
Serial Range
1000001 - 9999999
Qty
Price
$4.34

Ref No
12
Part Number
16541-ZE5-000
Description
SHAFT, GOVERNOR ARM (NOT AVAILABLE)
Serial Range
1000001 - 9999999

Ref No
13
Part Number
19631-ZE5-600
Description
SHROUD
Serial Range
1000001 - 9999999

Ref No
14
Part Number
19635-ZE5-000
Description
COVER, AIR IN.
Serial Range
1000001 - 9999999

Ref No
15
Part Number
19636-ZE5-000
Description
GRID, AIR IN. SCREEN
Serial Range
1000001 - 9999999

Ref No
16
Part Number
21610-ZE5-600
Description
COVER, REDUCTION
Serial Range
1000001 - 9999999

Ref No
17
Part Number
21615-ZE5-600
Description
GASKET, REDUCTION COVER (NOT AVAILABLE)
Serial Range
1000001 - 9999999

Ref No
18
Part Number
23151-ZE5-600
Description
SHAFT, P.T.O. (NOT AVAILABLE)
Serial Range
1000001 - 9999999

Ref No
19
Part Number
23155-ZE5-600
Description
GEAR, P.T.O. DRIVE
Serial Range
1000001 - 9999999

Ref No
20
Part Number
30701-883-000
Description
CLIP, IGNITION WIRE (8MM)
Serial Range
1000001 - 9999999
Qty
Price
$3.56

Ref No
21
Part Number
75112-ZE5-000
Description
SPRING, BRAKE
Serial Range
1000001 - 9999999
Qty
Price
$12.46

Ref No
22
Part Number
75113-ZE5-000
Description
LEVER, BRAKE (NOT AVAILABLE)
Serial Range
1000001 - 9999999

Ref No
23
Part Number
75116-ZE5-000
Description
COVER, BRAKE (NOT AVAILABLE)
Serial Range
1000001 - 9999999

Ref No
24
Part Number
75120-ZE5-003
Description
BRAKE (NOT AVAILABLE)
Serial Range
1000001 - 9999999
Qty
Price
$16.48

Ref No
25
Part Number
90013-ZE5-000
Description
BOLT, FLANGE (6X12)
Serial Range
1000001 - 9999999
Qty
Price
$2.22

Ref No
26
Part Number
90013-883-000
Description
BOLT, FLANGE (6X12) (CT200)
Serial Range
1000001 - 9999999

Ref No
27
Part Number
90014-952-000
Description
BOLT, FLANGE (6X14) (CT200)
Serial Range
1000001 - 9999999
Qty
Price
$2.86

Ref No
28
Part Number
90016-ZE5-000
Description
BOLT, SPECIAL (6MM) (NOT AVAILABLE)
Serial Range
1000001 - 9999999

Ref No
29
Part Number
90021-VA4-000
Description
BOLT, SPECIAL (6MM)
Serial Range
1000001 - 9999999
Qty
Price
$5.58

Ref No
30
Part Number
90022-888-010
Description
BOLT, FLANGE (6X20) (CT200)
Serial Range
1000001 - 9999999
Qty
Price
$2.94

Ref No
31
Part Number
90029-888-000
Description
BOLT, FLANGE (6X16) (CT200)
Serial Range
1000001 - 9999999
Qty
Price
$2.74

Ref No
32
Part Number
90183-671-003
Description
SCREW, TAPPING (4X8)
Serial Range
1000001 - 9999999

Ref No
33
Part Number
90411-ZE5-000
Description
WASHER, BRAKE ARM (NOT AVAILABLE)
Serial Range
1000001 - 9999999

Ref No
34
Part Number
90414-GE0-000
Description
WASHER (10X24)
Serial Range
1000001 - 9999999
Qty
Price
$3.70

Ref No
35
Part Number
90452-166-600
Description
WASHER, THRUST (12MM)
Serial Range
1000001 - 9999999
Qty
Price
$2.92

Ref No
36
Part Number
90701-ZE6-000
Description
PIN, LOCK (2.0)
Serial Range
1000001 - 9999999
Qty
Price
$3.24

Ref No
37
Part Number
91201-965-000
Description
OIL SEAL (12X22X5)
Serial Range
1000001 - 9999999
Qty
Price
$5.44

Ref No
38
Part Number
91303-ZE5-003
Description
O-RING (47.7X2.5) (ARAI)
Serial Range
1000001 - 9999999
Qty
Price
$4.44

Ref No
39
Part Number
94050-06080
Description
NUT, FLANGE (6MM)
Serial Range
1000001 - 9999999

Ref No
40
Part Number
94101-06800
Description
WASHER, PLAIN (6MM)
Serial Range
1000001 - 9999999
Qty
Price
$0.80

Ref No
41
Part Number
94103-06000
Description
WASHER, PLAIN (6MM)
Serial Range
1000001 - 9999999
Qty
Price
$1.20

Ref No
42
Part Number
94251-06000
Description
PIN, LOCK (6MM)
Serial Range
1000001 - 9999999
Qty
Price
$1.26

Ref No
43
Part Number
95701-06022-08
Description
BOLT, FLANGE (6X22)
Serial Range
1000001 - 9999999
Qty
Price
$2.20

Ref No
44
Part Number
95701-06018-08
Description
BOLT, FLANGE (6X18)
Serial Range
1000001 - 9999999
Qty
Price
$1.98

Ref No
45
Part Number
98076-54716
Description
SPARK PLUG (BR-4HS) (NGK)
Serial Range
1000001 - 9999999
Qty
Price
$2.98