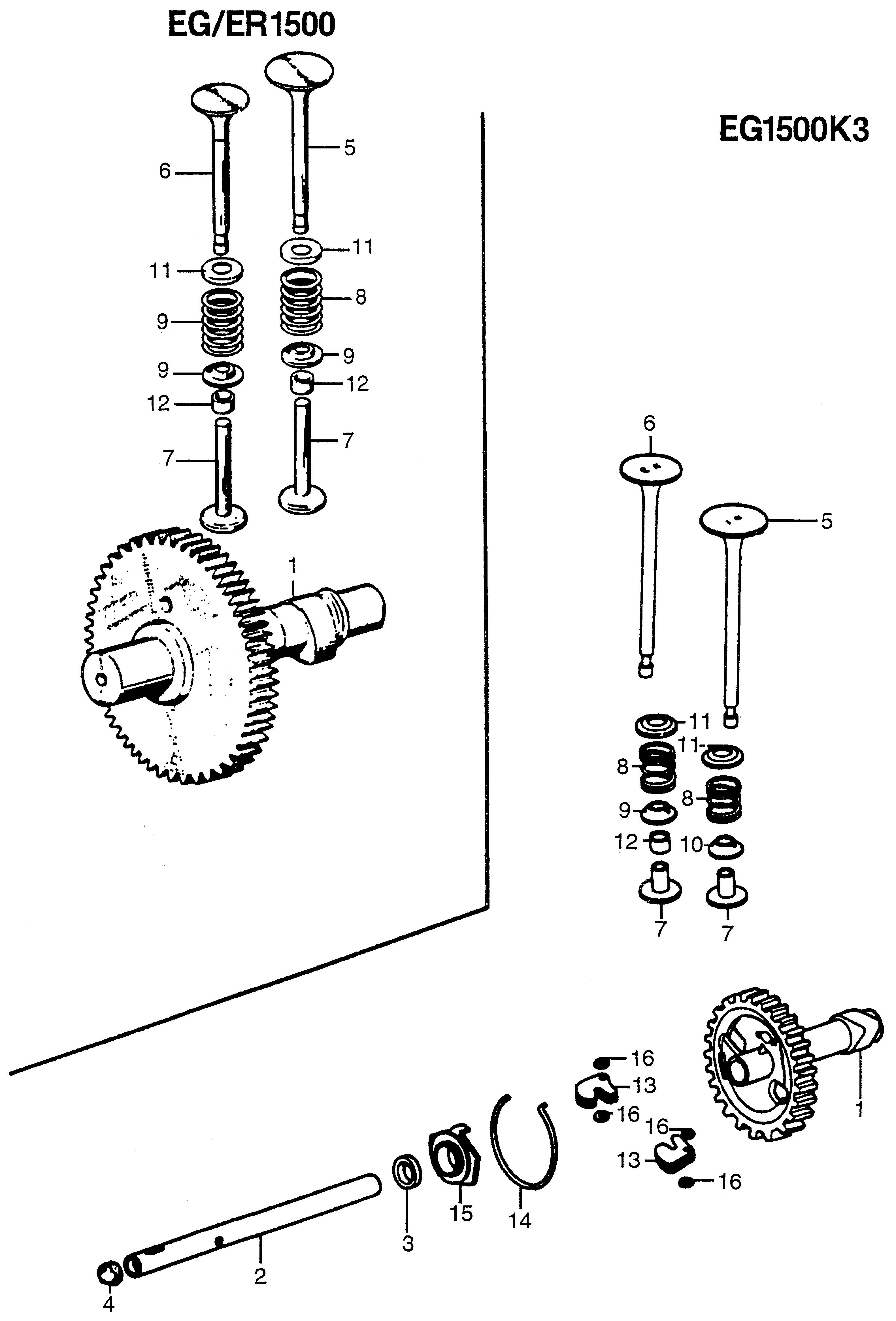
Generators EG EG1500 EG1500 A G41-1018501-1071999 CAMSHAFT@VALVE - Fremont Ace Hardware and Garden Center

Ref No
Part Number
Description
Serial Range
Qty
Price

Ref No
1
Part Number
14101-848-020
Description
CAMSHAFT
Serial Range
1000001 - 9999999

Ref No
5
Part Number
14711-848-010
Description
VALVE, IN. (NOT AVAILABLE)
Serial Range
1000001 - 9999999

Ref No
6
Part Number
14721-848-010
Description
VALVE, EX. (NOT AVAILABLE)
Serial Range
1000001 - 9999999

Ref No
7
Part Number
14731-848-010
Description
LIFTER, VALVE
Serial Range
1000001 - 9999999

Ref No
8
Part Number
14751-822-000
Description
SPRING, VALVE (NOT AVAILABLE)
Serial Range
1000001 - 9999999

Ref No
9
Part Number
14771-822-020
Description
RETAINER, VALVE SPRING (NOT AVAILABLE)
Serial Range
1000001 - 9999999

Ref No
11
Part Number
14775-848-000
Description
SEAT, VALVE SPRING (NOT AVAILABLE)
Serial Range
1000001 - 9999999

Ref No
12
Part Number
14777-848-405
Description
ADJUSTER, TAPPET CLEARANCE (5.50/5.55) (NOT AVAILABLE)
Serial Range
1000001 - 9999999

Ref No
12
Part Number
14777-848-415
Description
ADJUSTER, TAPPET CLEARANCE (5.60/5.65)
Serial Range
1000001 - 9999999

Ref No
12
Part Number
14777-848-425
Description
ADJUSTER, TAPPET CLEARANCE (5.70/5.75) (NOT AVAILABLE)
Serial Range
1000001 - 9999999

Ref No
12
Part Number
14777-848-435
Description
ADJUSTER, TAPPET CLEARANCE (5.80/5.85)
Serial Range
1000001 - 9999999

Ref No
12
Part Number
14777-848-445
Description
ADJUSTER, TAPPET CLEARANCE (5.90/5.95)
Serial Range
1000001 - 9999999